-
ASTM D2170 Viscosité des asphaltes par viscosimètre capillaire sous vide
la viscosité cinématique caractérise le comportement de l'écoulement. la méthode est utilisée pour déterminer la cohérence du bitume en tant qu'élément permettant d'établir l'uniformité des expéditions ou des sources d'approvisionnement. les spécifications sont généralement à une température de 60 et 135℃.
Send Email Détails -
-
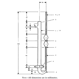
Appareil ASTM D2171 pour la viscosité des asphaltes
L'appareil KN-2171 pour la viscosité des asphaltes est conforme à la méthode d'essai standard ASTM D2171 pour la viscosité des asphaltes par viscosimètre capillaire sous vide. La viscosité à 60℃ caractérise le comportement d'écoulement et peut être utilisée pour les exigences de spécification des fluidifiés et des liants d'asphalte. Ce temps est mesuré pour un volume fixe du liquide à aspirer à travers un tube capillaire au moyen du vide, dans des conditions étroitement contrôlées de vide et de température. La viscosité en Pascal-secondes est calculée en multipliant le temps d'écoulement en secondes par le facteur d'étalonnage du viscosimètre.
Send Email Détails -
Norme ASTM D1840 : Hydrocarbures de naphtalène dans les carburants pour turbines d’aviation
Le spectromètre KN-UV-VIS est conforme à la norme ASTM D1840, méthode d'essai normalisée pour la détermination des hydrocarbures naphtaléniques dans les carburants pour turbines d'aviation par spectrophotométrie ultraviolette. Cette méthode d'essai fait partie d'un ensemble de tests utilisés pour évaluer les caractéristiques de combustion des carburants pour turbines d'aviation ayant un point d'ébullition proche de celui du kérosène. La teneur en hydrocarbures naphtaléniques est déterminée car, lors de leur combustion, les naphtalènes contribuent généralement davantage à la formation d'une flamme fuligineuse, de fumée et au rayonnement thermique que les composés aromatiques monocycliques.
Send Email Détails -
Viscosimètre Saybolt pour asphalte ASTM D88
Le viscosimètre Saybolt pour asphalte KN-88 est conçu et fabriqué selon la méthode de test standard ASTM D88 pour la viscosité Saybolt. Il couvre les procédures empiriques pour déterminer les viscosités Saybolt Universal ou Saybolt Furol des produits pétroliers à des températures spécifiées entre 21 et 99℃ (70 et 210℉).
Send Email Détails -
Viscosimètre rotatif ASTM D4402 pour la viscosité de l'asphalte
Le viscosimètre rotatif KN-4402 pour la viscosité de l'asphalte est conforme à la méthode d'essai standard ASTM D4402 pour la détermination de la viscosité de l'asphalte à des températures élevées à l'aide d'un viscosimètre rotatif. Un viscosimètre rotatif est utilisé pour mesurer la viscosité apparente de l'asphalte à température élevée. Le couple sur l'appareil de mesure géométrique, tournant dans un porte-échantillon thermostaté contenant un échantillon d'asphalte, est utilisé pour mesurer la résistance relative à la rotation. Le couple et la vitesse sont utilisés pour déterminer la viscosité de l'asphalte en secondes pascales, millipascales secondes ou centipoises.
Send Email Détails -
-
Viscosimètre Brookfield
En utilisant une structure centrale coaxiale, en utilisant un petit adaptateur d'échantillon, chaque mesure nécessite une très petite taille d'échantillon, un contrôle de température rapide et précis. Il a de nombreux paramètres de mesure, un contenu d'affichage riche, un fonctionnement pratique, une lecture intuitive, une précision de mesure élevée, une vitesse de rotation stable, de fortes performances anti-interférences, une tension de fonctionnement large, etc. peut remplacer le même type d'instrument importé
Send Email Détails












